商城首页
登录
|
注册
我的订单
|
会员中心
|
新手上路
扫描二维码
热门搜索:
接触器
扳手
断路器
工作服
熔断器
钳
指示灯
消防
插座
套袖
开关
0
去购物车结算
全部分类
工器具
×
手动工具
钢丝钳
尖嘴钳
斜嘴钳
扁嘴钳
大力钳
断线钳
开口扳手
梅花扳手
梅呆扳手
活扳手
内六角扳手
套筒扳手/T型扳手
刀类
刀片
螺丝刀
剪
组合工具
钢卷尺
手锯
手动拉铆枪
防爆工具
锯弓
丝锥
板牙
刷
测电笔
板牙架
电缆切刀
方孔桌虎钳
斧
管螺纹铰扳
管子割刀
管子台虎钳
划线规
机械压接钳
锯
绝缘导线剥除器
快速管子扳手
链条管子钳
普通台虎钳
什锦锉
手动铆螺母枪
手工刨
双簧扳钻
丝锥扳手
油灰刀
锤
锉
两用快扳
双金属开孔器
管子钳
测试夹具
拾物器
手动丝印机
绝缘双向棘轮扳手
全抛光双梅花棘轮扳手
绝缘单梅花棘轮扳手
梅花敲击扳手
开口敲击扳手
VDE双色绝缘开口扳手
单头扳手
VDE双色绝缘梅花扳手
勾形扳手
棘轮扳手
力矩扳手
钳子
电缆钳
十字扳手
油锯
手扳钻
成套扳手
电器工具(电动工具)
角磨机
石材切割机
电钻
冲击钻
电动螺丝刀
电锤
吹风机
型材切割机
电焊机
电烙铁
吸锡器
磁座钻
电冲剪
电动扁铲
电动锉刀
电动刀锯
电动雕刻机
电动黄油枪
电动拉铆枪
电动坡口机
电动曲线锯
电动砂轮机
电动套丝机
电镐
电链锯
电磨
电刨
电源盘
木工雕刻机
木工修边机
抛光机
热风枪
手持式电剪刀
手持式直向砂轮机
台钻(座钻)
压接机
电动扳手
气动工具
气钉枪
电磁阀
气动元件
风炮
吹尘枪
射钉枪
起重工器具
吊装带
滑轮
千斤顶
手动葫芦
卸扣
绳子
紧线器
卡线器
提线器
滑触线
滑触线集电器
千斤绳
测量工器具、刃具
钢直尺
千分尺
游标卡尺
塔尺
直角尺
水平尺
板尺
测距杆
带棱镜测杆
高度游标卡尺
花杆
塞尺
百分表
量块
螺纹规
角度尺
辅助类机电设备
发电机
油锯
阀门
工业泵
电动机
厨房成套设备
储油罐
水消毒设备
割草机
压缩机
滤油器
管道疏通机
除冰装置
洗涤设备
起重设备
厨具
焊接工具
割枪
焊枪
电焊钳
喷火枪
割嘴
焊嘴
回火器
液压工器具
液压钳
液压螺帽破切器
液压打孔机
液压剪断机
安全工器具
标识牌
围栏
验电器
放电棒
接地线
接地棒
拉闸杆
个人保安接地线
警示带
辅助工器具
撬棍
喷枪
升降梯
人字梯
单梯
关节梯
绝缘梯
喷灯
铁锹
手推车
电工皮带
镐
扁担
叉
铲
锄头
打气筒
地锚钻
电缆滑轮
钉耙
防尘罩
放线滑轮
放线架
放线盘
放线盘支架
钢字码
绞磨
拉马
铝盆
磨石
油石
镊子
皮老虎
桶
挖土勺
吸盘
锨
油壶
凿子
走板
胶枪
脚扣
绳
箩筐
抹泥板
起钉器
工器具耗材
钻头
焊锡膏
焊条
焊丝
焊锡丝
锯条
布
导电带
电动石材切割机锯片
电链锯条
电圆锯片
滤油纸
砂带
弹射芯
电炉丝
反光膜
放热焊接套件
钢丝轮
焊粉
角磨机用钹型砂轮
冷裱膜
磨料
磨头
盘式砂光机砂片
抛光膏
抛光轮
钳套
取样瓶
砂轮
砂纸(布)
手持式直向砂轮机砂轮
吸油棉
型材切割机薄片砂轮
研磨膏
注射器
麻花钻头
冲击(电锤)钻头
半导电胶带
防撞贴
消防器材
灭火器
灭火器箱
风力灭火机
呼吸器
灭火器挂件
水带接口
水带箱
消防铲
消防斧
消防钩
消防柜
消防沙箱
消防栓
消防水带
消防水枪
消防桶
救生缓降器
沙袋
消防破拆工具
防毒面具
送风机
灭火装置
灭火毯
消防桶
电杆防撞警示墩
仪器仪表
×
电气仪器仪表
数字万用表
钳型电流表
相序表
相位伏安表
线损测试仪
气体检测仪
电量记录分析仪
网络测试仪
高压试验仪器
绝缘电阻测试仪
接地电阻表
变压器变比测试仪
故障检测仪
管线定位仪
阻抗测量仪
补偿电抗器
地网电阻测量仪
接地电阻测试仪
电能计量仪器仪表
电能表标准设备
互感器标准设备
互感器检测设备
温度、湿度仪表
温湿度计
测温仪
测量、测距仪器
经纬仪
测距仪
测高仪
测厚仪
光学仪器
望远镜
放大镜
显微镜
压力仪表
膜盒压力表
真空压力表
远传压力表
耐震压力表
氧气表
乙炔表
丙烷表
金属检测仪器
探伤仪
混凝土钢筋检测仪
密度、浓度测量仪器仪表
SF6气体密度继电器校验装置
瓦斯继电器校验装置
化学、实验室仪器仪表
变压器油微量水分测试仪
盐密测试仪
灰密测试仪
SF6分解产物检测仪
SF6纯度测试仪
天平
量筒
烧杯
滴定管
吸管
漏斗
玻璃棒(搅拌棒)
广口瓶
洗耳球
时间、频率仪器仪表
秒表
通信仪器仪表
网络测试仪
温度、湿度测量仪表
温度计
办公文具
×
办公纸品
版纸
包装纸
标价纸
标签胶贴
布纹纸
彩机纸
彩喷纸
传真纸
打印纸
刚古纸
告示贴
海报纸
卡纸
拷贝纸
牛皮档案袋
皮纹纸
收银纸
速印纸
铜版纸
相纸
信封
宣纸
荧光纸
皱纹纸
办公笔类
白板笔
粉笔
钢笔
记号笔
毛笔
铅笔
签字笔
荧光笔
中性笔
中性笔芯
自动铅笔
彩色笔
办公耗材
硒鼓
墨盒
色带
碳粉
墨水
财务用品
计算器
账本
印台
印泥
凭证
尺子
回形针
大头针
文件管理
电脑夹
票据夹
档案盒
资料册
档案袋
拉链袋
资料架
展示用品
白板
白板附件
白板架
玻璃面镜框架
地球仪
电子互动演示台
工作牌及附件
黑板
激光指挥笔
胶片面镜框架
书刊架
水晶板
台历
条幅
展示铭牌
装订用品
订书机
起钉器
打孔器
美工刀
削笔刀
大头针
订书针
曲别针
桌面文具
胶棒
双面胶带
修正带
笔筒
文具盒
修正带
液体胶
阅读架
桌垫
电脑周边
显示器
光盘
u盘
鼠标
键盘
鼠标垫
移动储存
音响
耳机
办公设备
电脑
打印机
扫描仪
碎纸机
塑封机
办公本册
笔记本
名片册
效率手册
高低压电器
×
低压电器
接触器
稳压器
按钮
指示灯
低压熔断器
插座
插头
低压开关
低压熔断器配件
电炉
控制器
充电电池
充电器
断路器
塑壳断路器
小型断路器
漏电断路器
小型漏电断路器
直流小型断路器
万能断路器
控制电器
小型继电器
调压器
互感器
时间继电器
中间继电器
热过载继电器
自耦减压启动器
电磁启动器
接触器
开关电器
倒顺开关
刀闸
刀开关
微电脑时控开关
按钮
照明设备
灯具
LED灯
灯泡
LED室外灯
手电
头灯
防爆灯
防水防尘灯
应急灯
标志灯
工作灯
光控器
景观灯
路灯灯罩
启辉器
手持工作灯
探照灯
照明灯座
照明开关
镇流器
高压电器
避雷器
跌落开关
隔离开关
高压熔断管
高压电缆附件
电能表
单相机械式电能表
单相电子式电能表
三相四线机械式电能表
三相四线电子式电能表
电流表
电压表
电力金具
铜鼻子
铜铝鼻子
铝鼻子
铜开口
铜铝设备线夹
铝设备线夹
异型并沟线夹
拉线棒
变压器线夹
并沟线夹
球头挂环
直角挂板
电料
PVC胶布
线卡
鳄鱼卡
缠绕管
异型管
尼龙扎带
号码管
电线电缆
防水线
塑铜线
平行线
网线
闭路线
架空导线
防爆电器
防爆接线盒
防爆照明开关
防爆插销
防爆按钮
燃料化工
×
工业气体
色谱标准气
氮气
氢气
氩气
氦气
空气
氧气
乙炔
SF6
石油醚
油漆类
调和漆
磁漆
自喷漆
涂料
稀释剂
防腐漆
绝缘漆
松动剂
酒精
干燥剂
防锈漆
脱漆剂
化油器
银粉漆
胶类
硅胶
防水胶
瞬干胶
玻璃胶
AB胶
泡沫胶
导电膏
密封胶
除胶剂
油类
润滑油
液压油
绝缘油
试验试剂及器具
中和液
萃取液
广口瓶
量杯
搅拌棒
注射器
五金建材/标准件
×
标准件
外六角螺丝
内六角螺丝
螺母
平垫
弹垫
膨胀螺丝
橡胶、塑料、石棉制品
胶板
塑料布
石棉板
尼龙制品
石棉布
石棉绳
膨胀管
水暖材料
水槽
龙头
淋浴花洒
地漏
水嘴
洗手池
花洒
花洒软管
快开阀
混水阀
三角阀
洁具及附件
建筑装饰五金
挂锁
链锁
抽屉锁
搭扣
插销
U型锁
门锁
合页
纯铜轮
拉手
铰链
抽屉轨道
卫浴用五金
防滑带
管材及管件
铝塑管及管件
PVC管及管件
PPR管及管件
玛钢管件
钢制管件
PE管材管件
金属
铜材
铝材
钢材
不锈钢
铁丝/铅丝
机械五金
螺杆
模具
机床刀具
液压元件
齿轮
脚手架及扣件
铁钉
线扣
劳保防护用品
×
头部防护
安全帽
防尘/防化/隔热头罩
工矿帽
焊接/消防阻燃头罩
防冲击眼镜
眼罩/护目镜
电气焊眼镜
电焊面罩
洗眼器
平光镜
耳塞
耳罩
防尘口罩
防尘面具
防毒面具
防尘滤棉/纸
滤毒盒/罐
防尘/毒面具配件
帽子
电焊镜片
防护口罩
布料口罩
防护面罩
保暖型口罩
手部防护
线手套
帆布手套
绝缘手套
焊工手套
防割手套
防静电手套
防护套袖
足部防护
安全、防砸鞋
绝缘靴
耐酸碱靴
矿工靴
护脚/鞋套/靴套
绑腿
雨鞋
袜子
身体防护
普通工作服
阻燃/焊工服
反光衣/马夹
救生衣
围裙
棉衣
防静电服
防寒服
安全带
安全钩
安全绳
安全网
雨衣、雨伞
防尘衣
棉裤
垫肩
充气垫
护膝
围腰
皮裤
绝缘服
袖标
防潮垫
绝缘防护
绝缘鞋
绝缘服
绝缘手套
清洁用品
棉纱
酒精棉片
日化用品
防蚊虫药具
护手霜
润肤霜
防晒用具
毛巾
水壶
保暖手套
真皮手套
全棉手套
PVC涂胶手套
乳胶手套
蚊帐
打火机
蜡烛
家用电器
×
大家电
平板电视
空调
冰箱
洗衣机
烟机/灶具
热水器
生活电器
取暖电器
净化器
加湿器
扫地机器人
吸尘器
挂烫机/熨斗
插座
电话机
清洁机
除湿机
干衣机
收录/音机
电风扇
其它生活电器
净水设备
饮水机
厨房电器
电压力锅
电饭煲
豆浆机
面包机
咖啡机
微波炉
料理/榨汁机
电烤箱
电磁炉
电饼铛/烧烤盘
煮蛋器
酸奶机
电水壶/热水瓶
电炖锅
多用途锅
果蔬解毒机
其它厨房电器
个护电器
电吹风
电动牙刷
剃须刀
电子秤
美容仪
离子梳
脱毛器
其他个护电器
办公家具
×
桌子
办公桌
会议桌
工位桌
椅、凳
电脑椅
老板椅
弓形椅
会议椅
沙发
真皮沙发
布艺沙发
柜
书柜
衣柜
文件柜
密集柜
档案柜
餐边柜
斗柜
茶水柜
茶几
玻璃茶几
木质茶几
办公日用
×
清洁工具
百洁布
拖把
钢丝球
扫帚
簸箕
盆
喷壶
垃圾桶
卫生纸
洗涤用品
柔顺剂
洗衣液
洗衣皂
肥皂
衣领净
洗洁精
油污净
洗发水
洗手液
牙膏,牙刷
香皂
毛巾
套装
洁厕灵
床上用品
枕头
枕芯
枕套
枕巾
全棉四件套
被芯
夏被
冬被
床垫
睡袋
收纳用品
行李箱
收纳盒
整理箱
袋
厨具、餐具
茶具
紫砂壶
锅、碗、瓢、盆
水杯、水壶
茶盘
一次性用品
手套
纸杯
垃圾袋
一次性口罩
燃气设备
×
燃气专用阀门
流量计
燃气表
燃气警示装置
燃气专用管材管件
加气站配件
环卫设备
×
垃圾箱
环卫保洁车
清扫用品
首页
联系我们
新品上市
最新优惠
热卖产品
最新资讯
首页
>
所有商品分类
>
高低压电器
>
控制电器
>
自耦减压启动器
>
分享
收藏商品
0
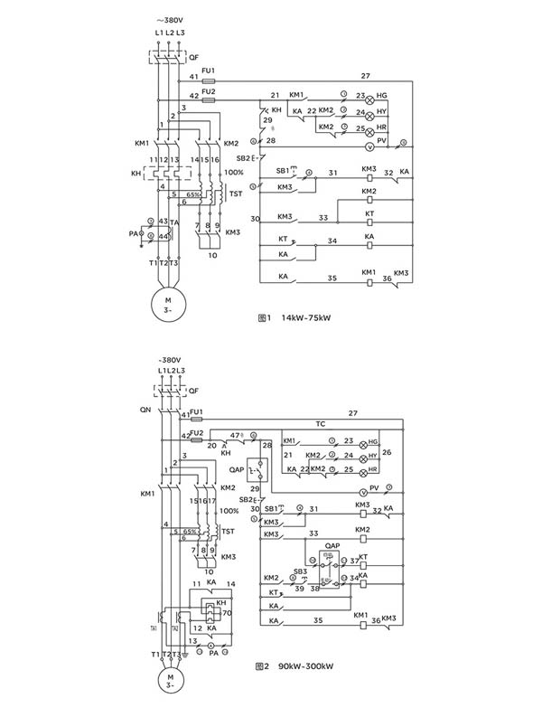
中国人民电器PEOPLE XJ01自耦减压起动柜 自耦减压启动 控制箱柜 自耦减压启动器
价格:
¥ 1721.00-3122.00
数量:
功率(kw):
30kw
40kw
55kw
75kw
20kw
弹出层
销售排行
商品评分
用户点评 (
共0条评论
)
会员01:
挺满意的,之前买的一个,结果家人都说很好,又来帮他们买了两个、、
月销量
0件
全国联保
浏览
自耦减压启动器
最终购买了
中国人民电器PEOPLE XJ01自耦减压起动柜 自耦减压启动 控制箱柜 自耦减压启动器
¥1721.00
中国人民电器PEOPLE XJ01自耦减压起动柜 自耦减压启动 控制箱柜 自耦减压启动器
¥3122.00
中国人民电器PEOPLE XJ01自耦减压起动柜 自耦减压启动 控制箱柜 自耦减压启动器
¥2949.00
中国人民电器PEOPLE XJ01自耦减压起动柜 自耦减压启动 控制箱柜 自耦减压启动器
¥2657.00
中国人民电器PEOPLE XJ01自耦减压起动柜 自耦减压启动 控制箱柜 自耦减压启动器
¥1972.00
正泰CHNT XJZ1 30-115KW自耦减压起动箱启动器电机起动柜 XJZ1
¥7417.00
产品介绍
规格参数
售后服务
商品评价
商品评价
暂无评论
售后服务
退款说明
退换货流程
购物指南
购物流程
支付方式
关注我们
企业简介
关于我们
配送须知
网站地图
用户帮助
订购问答
电话热线
0354-2081373
在线客服
德力西
|
西门子
|
中国人民电器
|
施耐德
|
正泰电器
|
世达
|
史丹利
|
长城精工
|
威特仕
|
星宇
|
飞利浦
|
亚克西
|
百劳汇
|
波斯工具
|
上海滩
|
德派尔
|
青岛国胜
|
霍尼韦尔
|
代尔塔
|
亚明
|
华荣
|
超霸
|
南孚
|
飞雕
|
海洋王
|
奥格
|
友盟(AP)
|
优利德
|
保赐利
|
博世
|
得力
|
妙洁
|
联想
|
东方红
|
爱普生
|
惠普
|
双安
Copyright 2022 - 2022 山西德众翔科技有限公司 客服热线:0354-2081373
备案号:晋ICP备2022004458号-1